VM-EXD-MECH-010
VM-EXD-MECH-010
Calculation of Velocity of Slider and Force by Collar
Overview
| Reference: |
Beer-Johnston ‘Vector Mechanics for Engineers’ Statics & Dynamics (In SI Units), 7th Edition, TATA McGRAW HILL Edition 2004, Problem 13.73, Page No: 793 |
| Analysis Type(s): | Explicit Dynamics 3-D (Fully Rigid) |
| Elements: | Rigid Body Elements and Spring Element |
| Boundary Conditions: | Remote Displacement (fixed DOFs), Standard Earth Gravity |
| Structural Interactions: | No |
| Fluid-Structure Interactions: | No |
| Connections: | Cylindrical |
| Materials: | Steel |
Test Case
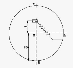
A 1.2 Kg collar is attached to a spring and slides without friction along a circular rod in a vertical plane:
The spring has a nondeformed length of 105 mm and a constant K = 300 N/m. Knowing that the collar is at rest at C, it is given a slight push to get it moving.
| Length OP = 75 mm |
| Length OB = 180 mm |

Determine the force exerted by the rod on the collar as it passes through points A and B.
| Material Properties | Geometric Properties | Loading | ||
|---|---|---|---|---|
|
E = 2E11 Pa ν = 0.3 | Spring:
| Gravitational acceleration = -9.8066 m/s2 (Y direction) |
Results Comparison
| Results | Target | Explicit Dynamics [1] | Error (%) |
|---|---|---|---|
| At point A (N) | 15.345 | 15.399 | .352 |
| At point B (N) | -24.017 | -24.168 | 0.629 |
To compare these results to those obtained using rigid body dynamics, see VM-WB-MECH-057.
