VM-WB-MECH-070

VM-WB-MECH-070
Hyperelastic Thick Cylinder Under Internal Pressure

Overview

Reference:

Oden, J. T. (1972). Finite Elements of Nonlinear Continua (pp. 325-331). New York, NY: McGraw-Hill Book Co., Inc.

Solver(s):

Ansys Mechanical

Analysis Type(s):Static, Large Deflection Analysis
Element Type(s):2-D Structural Solid Elements

Test Case

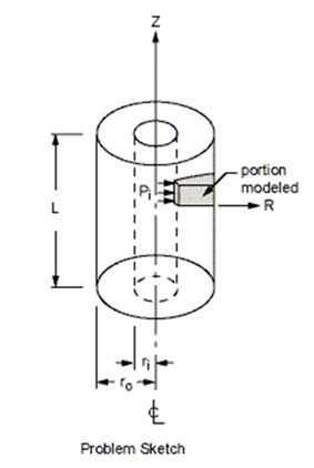
An infinitely long cylinder is made of Mooney-Rivlin type material. An internal pressure of Pi is applied. Find the radial displacement at the inner radius and the radial stress at radius R = 8.16 in. Use a global mesh size of 1 in along with a mapped face meshing.

Figure 93: Schematic

Schematic
Schematic

Material PropertiesGeometric PropertiesLoading
Mooney-Rivlin material coefficients:
C10 = 80 psi
C01 = 20 psi
D1 = 0 /psi
ri = 7.0 in
ro = 18.625 in
Pi = 150 psi

Analysis

Because of the loading conditions and the infinite length, this problem is solved as a plane strain problem. A one-fourth symmetry model is used. The total pressure is applied in two load increments 90 and 150 psi. Stress and Deformation are expressed in cylindrical coordinate system.

Results Comparison

ResultsTargetMechanicalError (%)
Deformation at inner radius in radial direction, in7.187.18190.026
Radial Stress at r = 8.16 in, psi-122-121.790.172