VM-WB-MECH-062
VM-WB-MECH-062
Stresses in a Long Cylinder
Overview
| Reference: |
Timoshenko, S. (1956). Strength of Material, Part II: Elementary Theory and Problems (3rd ed., pp. 213, Problem 1; p. 213, Article 42). New York, NY: D. Van Nostrand Co., Inc. |
| Solver(s): | Ansys Mechanical |
| Analysis Type(s): | Static Structural Analysis |
| Element Type(s): | Axisymmetric Shell |
Test Case
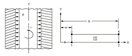
A long thick-walled cylinder is initially subjected to an internal pressure p. Determine the radial displacement δr at the inner surface, the radial stress σr, and tangential stress σt, at the inner and outer surfaces and at the middle wall thickness. Internal pressure is then removed and the cylinder is subjected to a rotation ω about its center line. Determine the radial σr and tangential σt stresses at the inner wall and at an interior point located at r = Xi.
| Material Properties | Geometric Properties | Loading | ||||||||
|---|---|---|---|---|---|---|---|---|---|---|
|
| Case 1:
|
Analysis Assumptions and Modeling Notes for Ansys Mechanical
Because the geometry and loading are symmetric about the y-axis, the above problem can be analyzed as an axisymmetric problem in Ansys Mechanical.
Results Comparison for Ansys Mechanical
| Results | Target | Mechanical | Error (%) | |
|---|---|---|---|---|
| Case 1: | Displacementr, in (r = 4 in) | 0.0078666 | 0.0076267 | -3.050 |
| Stressr, psi (r = 4 in) | -30000 | -29988 | -0.040 | |
| Stressr, psi (r = 6 in) | -7778.0 | -7775.3 | -0.035 | |
| Stresst, psi (r = 8 in) | 0 | 0.79611 | -- | |
| Stresst, psi (r = 4 in) | 50000 | 49988 | -0.024 | |
| Stresst, psi (r = 6 in) | 27778 | 27775 | -0.011 | |
| Stresst, psi (r = 8 in) | 20000 | 19999 | -0.005 | |
| Case 2: | Stresst, psi (r = 4 in) | 40588 | 41672 | 2.671 |
| Stressr, psi (r = 5.43 in) | 4753.0 | 4933.7 | 3.802 | |
| Stresst, psi (r = 5.43 in) | 29436 | 29719 | 0.961 | |


